Jump to content

JSON 2D Array of Strings



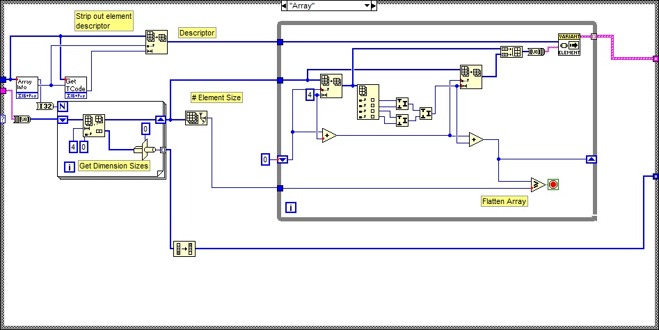
Solution to the variant decode.vi

Copyright

© mcarvalho

From the album:

Code Examples

· 1 image
  • 1 image
  • 0 comments

×
×
  • Create New...

Important Information

By using this site, you agree to our Terms of Use.